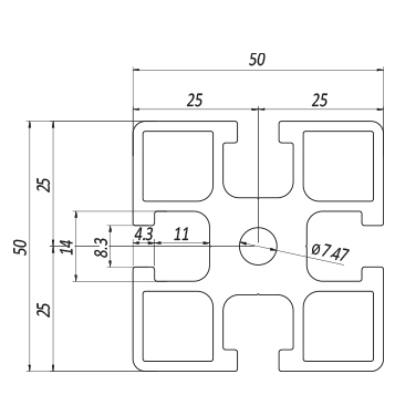
Profilo 50x50 – 4 cave Codice: BPRDD0000491 Codice old: none Serie: 45 Area: 934,4 mm2 Lunghezza barra: 6050 mm Materiale: LEGA EN AW 6060 Modulo di resistenza: 7,5648 Wx/cm3 – 7,5648 Wy/cm3 Momento d'inerzia: 18,912 Jx/cm4 – 18,912 Jx/cm4 Peso: 2,523 kg/ml Cad 2D Cad 3D Light Corner 40x60 Bracket 20x40